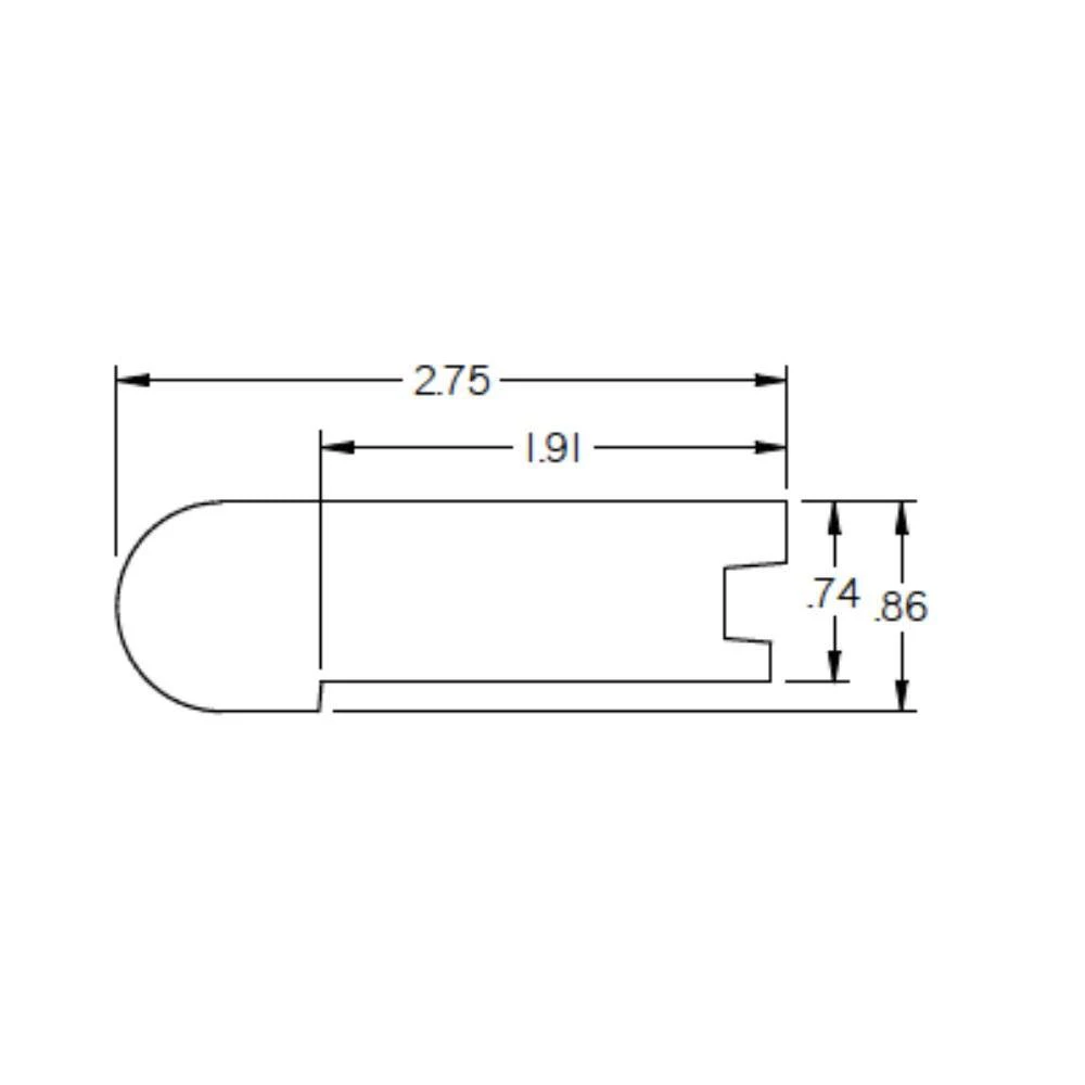
Aeolian 0.75 in. Thick x 2.78 in. Wide x 78 in. Length Hardwood Stair Nose by ROPPE

Original price was: $34.98.Current price is: $26.24.

Buy Now
  • Buy Quality, Live Better
  • Peace of Mind with Every Purchase
  • Quality You Can Count On
  • Safe Payments, Secure Personal Information